Санвузол — це одне з найбільш відвідуваних місць у нашому домі. Тож його облаштування — дуже важлива справа. Насамперед варто вибрати унітаз. Простіше орієнтуватися на стандартні розміри. Можна знайти відповідні моделі практично на будь-який смак.
Зміст
Види та конструктивні особливості
Габарити унітазів залежать від їхньої конструкції. Тому з ними варто ознайомитися. Одночасно з’ясуємо, які з цих видів можна встановити у невеликих санвузлах.
Форма чаші
Типи унітазів за типом зливу або формою чаші визначають зручність користування та рівень «ароматів», які можуть виникати. Також від форми залежать мінімальні та максимальні розміри. Існує три типи чаш або зливу:

- Тарілкоподібний або з поличкою. Злив зміщений ближче до передньої стінки, а чаша має виступ, який хтось називає поличкою, а хтось — тарілкою. Звідси й назви форми. При такій конструкції під час зливу будуть бризки, що неприємно, але принаймні ви їх не відчуєте. Однак унітаз з поличкою — най«ароматніший». Екскременти залишаються «на поличці», поки не змиються, тож запах інтенсивний.
- Козирковий. Злив теж ближче до передньої стінки, але задня стінка чаші рівна, з невеликим нахилом у бік зливної воронки. При такій конструкції відходи потрапляють на задню стінку і по ній сповзають у воду. Сплеску немає, запах присутній, але не такий інтенсивний. Сліди залишаються, хоча основне джерело знаходиться у воді.
- Воронкоподібний. Форма чаші такого унітазу схожа на звичайну воронку. Злив майже посередині. Запаху майже не буде, зате сплеск ви відчуєте на собі. У прямому сенсі. Боротися з бризками можна або зрушивши вперед/назад, як дозволяють габарити (ваші та унітазу), або кинувши попередньо у воду шматок туалетного паперу.
Який унітаз краще вибрати? Загалом, непоганий козирковий. Без сплесків, з терпимим рівнем «аромату». Правда, після кожного використання доведеться використовувати йоржик. Але до цієї процедури швидко звикаєш.
Спосіб установки унітазів
За способом монтажу існує два типи унітазів: підлогові та підвісні.
З підлоговими все зрозуміло, вони встановлюються на підлогу і закріплюються до неї. Вони бувають двох типів.
Перший — звичний для нас з бачком на виносній поличці або з бачком на стіні.
Другий тип — пристінний. Цей варіант у нас з’явився нещодавно. Відрізняється тим, що задня стінка майже повністю паралельна стіні.

Підвісний або вбудований унітаз кріпиться не до стіни, як може здатися, а до конструкції, яка прихована за фальшстіною. Ця конструкція називається «інсталяція». Це металевий каркас, який фіксується болтами до стін і до підлоги. А вже до цього каркаса кріпиться не тільки чаша, а й кнопка, і всі труби.
Випуск
Це ще не всі конструктивні особливості. Треба ще розібратися з випуском.
Це вихідний патрубок, через який унітаз підключається до каналізації. Найбільш компактні моделі з вертикальним виходом патрубка. Найдовші — з косим. Але саме вони більш поширені, оскільки не треба піднімати каналізаційну трубу, а можна лише поставити трійник, а в нього завести гофру.
Форм випуску унітазу теж три:
- прямий
- косий
- вертикальний.
Вертикальні зараз велика рідкість, хоча за бажанням їх можна знайти. Цей стандарт застосовують в Америці. Але на замовлення можна зробити все. Саме унітази з вертикальним випуском матимуть, до речі, найменшу «глибину». І з таким випуском зазвичай виготовляють пристінні моделі.

Як вибрати унітаз за типом зливу?
Якщо ви просто замінюєте унітаз, а каналізацію переробляти не плануєте, вибору, власне, немає. Вам потрібен з тим самим типом зливу, що й був. Без варіантів.
При заміні труб каналізації в квартирі буде можливість поміняти косий на прямий, або навпаки — прямий на косий. Але встановити вертикальний не вийде — злив повинен йти вертикально вниз, тобто до ваших сусідів знизу. Це означає, що доведеться робити заміну і у них.
Коли ж варто вибрати вертикальний злив? У приватному будинку — краще на першому поверсі. У підвалі труба нікому не заважатиме. А плюс такого типу вже озвучений — це мінімальна «глибина».
Види бачків для унітазу
Перш ніж розбиратися зі стандартними розмірами унітазу, треба ще подумати про тип бачка. Це теж впливає на розміри. Наприклад, популярна модель «компакт» — далеко не найкоротша. Тут пальма першості належить моделям з окремим настінним бачком. Але треба ще враховувати трубу, за допомогою якої бачок і унітаз з’єднуються.

Загалом, існує три типи бачків для унітазів:
- роздільний (настінний)
- компактний
- моноблок.
Компактні та моноблокові моделі можуть бути прямими або кутовими. Кутові моделі, як правило, найменші. І саме вони точно дозволяють заощадити місце в маленькій вбиральні.
У чому різниця між бачками?
Принципової різниці немає. Справа в уподобаннях господарів, ну, і в зовнішньому вигляді.
Моноблок — це коли чаша і бачок відлиті в єдиній формі і роз’єднатися не можуть.
Компакт — це коли бачок встановлюється на задню частину чаші. У таких моделях чаша має спеціальний випуск ззаду з отворами для кріплення бачка. Чим хороший такий варіант? Можна міняти бачки. Не тільки якщо старий розколовся, але й якщо помилилися з формою або об’ємом. Таке теж буває.
Ті ж самі плюси і у настінних бачків. З тією лише різницею, що доведеться їх кріпити і встановлювати з’єднувальну трубу.

До речі, існують унітази без бачків. Це не ті, у яких бачки приховані в інсталяції, а ті, що підключені безпосередньо до водопроводу. Ця модель використовується в Німеччині, є й у нас у деяких громадських туалетах. Її головна перевага — економія місця. Як не крути, а бачок займає місце. Якщо з простором зовсім скрутно, можна встановити такий. Правда, за умови, що тиску для його роботи у вашій системі достатньо.
Відстані
Добре тим, у кого під санвузол або туалет відведено велике приміщення. Якщо ж воно у вас не таке велике, необхідно знати мінімальні допуски щодо відстані від унітазу до прилеглих «конструкцій» і пристроїв.

- Між біде та унітазом має бути не менше 25 см.
- Попереду має бути не менше 60 см вільного простору. Тобто відстань від краю чаші до дверей або стіни попереду — 60 см і більше.
- З боків має бути вільний простір не менше 25 см. Цього замало, але терпимо. Комфортна відстань — 35 см.
Ось тепер малюєте план своєї санвузли, відзначаєте мінімальні відстані і дивитеся, якого розміру унітаз встане у вашому туалеті. Тож все просто.
Стандартні розміри унітазу та мінімальний розмір туалету
ДСТУ 30493-96 встановлює розміри лише для унітазів із поличкою. Є ще ті, що встановлюють у вагонах, але вони нам не потрібні. Стандартні розміри унітазу з поличкою визначені для двох варіантів: із суцільнолитою та з приставною.
Друга модель використовується в комплекті з навісними/настінними бачками або взагалі без них.
Ще є стандартні розміри дитячого унітазу. Вони (дитячі) йдуть без полички. Всі розміри наведені в таблиці.
А щоб розуміти, про що йдеться, дивимося креслення.
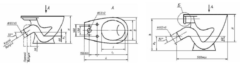
Креслення унітазу з цільнолитою поличкою та косим випуском:

Отже, стандартні розміри унітазу з поличкою (зазвичай називають «Компакт»):
Довжина — L — 605 мм. Це з урахуванням того, що модель «Компакт» має виступ для встановлення бачка. Окремо зазначено, що можна випускати коротші моделі довжиною до 575 мм.
Ширина — B — також два стандартних значення: 340 і 360 мм.
Висота унітазів не нормована, але зазвичай у межах 370-390 мм.
Отже, за стандартом, найвужчий унітаз — 340 мм, а найкоротша модель «компакт з поличкою та косим зливом» — 575 мм. Виходячи з цих значень та мінімально допустимих відстаней з попереднього пункту, можемо визначити мінімальні розміри туалету для встановлення такої моделі. Почнемо з обчислення ширини: 340 мм + 2*250 мм = 840 мм. Тобто, відстань між стінами не може бути менше 84 см. Краще, звичайно, більше.
А по довжині туалет повинен бути 575 мм + 600 мм = 1175 мм. Але це без урахування того, що треба ще каналізаційну трубу укласти і якимось чином підключити злив. На це відведемо ще 20 см. У підсумку отримаємо, що мінімальна довжина туалетної кімнати 1175 мм + 200 мм = 1375 мм. У метрах це 1,375 м.
Стандартні розміри унітазу без полички (з підвісним бачком):

Стандартні розміри унітазу з настінним бачком значно менші: довжина/глибина 460 мм, ширина 360 мм і 340 мм. Тобто приміщення може бути коротшим. Мінімальна його глибина — 1060 мм — це лише для комфортного встановлення чаші, але ще треба підключити труби, тож додамо ще 20 см.
Отже, отримаємо, що для встановлення унітазу з навісним бачком кімната повинна бути не менше 126 * 84 см. А якщо у вас приміщення довше, можна це диво сантехніки висунути назад, а за унітазом і/або над ним зробити шафку з поличками.
Яких розмірів бувають унітази
Стандартні розміри унітазу розраховані на людей середнього зросту та статури. Далеко не всі такі. Та й унітаз із поличкою, який описано в ДСТУ, далеко не найкращий вибір з точки зору запахів. А ще, в магазинах сьогодні велика частина імпортної продукції. І стандарти у них свої.
Наприклад, європейський стандартний розмір унітазу — 680*360*400 мм (це довжина, ширина в найширшій частині і остання цифра — висота).
Американці пішли ще далі — у них звичайна «глибина» становить 768 мм, ширина 380 мм, висота обідка над підлогою така сама — 36-38 см.
Як бачите, стандарти різні, та й не всі дотримуються стандартів. Потреби людей різні, і ринок намагається їх задовольнити.

Розміри підлогових моделей
Як ви розумієте, підлогові моделі унітазів бувають різні, і розміри в них теж різняться. Наведемо діапазон, але не гарантуємо, що вужчих або ширших моделей немає. Швидше за все, якщо поставити собі за мету, можна знайти і ті, і інші.

Компакт
Унітаз типу «Компакт» (з бачком, що кріпиться ззаду) має такі розміри:
- довжина — 610–645 мм;
- ширина від 345 мм до 420 мм;
- висота від 370 мм до 395 мм.
Зверніть увагу, що найвужчі чаші більше схожі на прямокутник. Вони не такі округлі, як ми звикли. Користуватися ними досить зручно. Тільки можуть бути проблеми при купівлі кришки. Така форма зустрічається нечасто.

Без бачка
Унітаз без полички з навісним або окремим бачком має такі розміри:
- довжина 435–460 мм (на 20 см менше, ніж у моделей «Компакт»!);
- ширина 360–400 мм;
- висота обідка від рівня підлоги 350–390 мм.

Як бачите, вони більш компактні, незважаючи на назву, яку дали попередньому варіанту. Але такі моделі менш популярні, оскільки бачок треба кріпити, а це додаткові клопоти. Раніше цей тип вважався «пережитком», а зараз — це стильно й цікаво. Є дуже цікаві моделі (щоправда, і коштують вони відповідно).
Моноблок
Є ще підлогові унітази Моноблок. Вони ж в основному пристінні. Це ті, у яких бачок і чаша нероз’ємні і одне є продовженням іншого. Розміри унітазів Моноблок такі:
- довжина — 665-720 мм;
- ширина (зазвичай бачок ширший, але не завжди) — 360-420 мм;
- висота:
- від підлоги до верху кришки — 700-870 мм;
- від підлоги до обідка чаші — 360-390 мм.

Ці моделі не можна назвати маленькими. Можливо, саме тому вони не надто популярні у нас. Як не крути, окремо заносити чашу та бачок легше, ніж всю конструкцію в зборі. Зате ймовірність протікання менша.
Розміри підвісних моделей
У підвісних унітазів треба дивитися на розміри самої чаші та інсталяції. Вони, зазвичай, йдуть у комплекті. І, як правило, більше питань виникає саме з інсталяцією. Власне, розміри інсталяції залежать від планованого навантаження. Зовнішня ненадійність і крихкість оманливі. Підвісний унітаз із посиленим каркасом може витримувати вагу до 400 кг, стандартні конструкції — до 200 кг, а надміцні — до 400 кг.

Розміри інсталяцій для підвісних унітазів такі:
висота — 1100–1250 мм;
ширина — 400–550 мм;
глибина — 140–250 мм.
Це середні значення. Є ще вузькі інсталяції — вони можуть бути від 345 мм. Правда, їхня «вантажопідйомність» становить близько 120–150 кг. А ті, що зустрічаються найчастіше, мають ширину близько 50 см. Як бачите, вони не займають надто багато місця.
Чаша підвісного унітазу може мати найрізноманітніший вигляд:

Тепер про розміри чаші підвісних унітазів. Вона має такі габарити:
довжина 480–560 мм;
ширина 356–430 мм.
Висота чаші підвісного унітазу може бути різною. Залежить від стилю. Є чаші майже плоскі, висотою 290-320 мм, є середні — 340-365 мм. Причому вигляд у них найрізноманітніший: квадратні, округлі, овальні, звужені до низу або закруглені, більше схожі на шайбу.
Можуть виникнути ще питання щодо того, на якій висоті розташовувати підвісний вбудований унітаз відносно підлоги. Не варто турбуватися. Висота «вибереться» автоматично. Вона залежатиме від габаритів чаші та розташування отвору під каналізаційний вихід в інсталяції. Вам треба буде лише простежити, щоб вони були сумісні (одного розміру і щоб нижня частина чаші не «лежала» на підлозі).
Дитячі моделі: компактність та ергономіка
Дитячі унітази — це не просто зменшені копії дорослих моделей, а сантехніка, розроблена з урахуванням анатомії дитини.
-
Габарити: Довжина таких моделей зазвичай становить 435–550 мм, ширина — 290–315 мм.
-
Висота чаші: Найголовніша відмінність. Вона становить лише 300–350 мм. Це дозволяє дитині самостійно сідати на унітаз, при цьому її стопи повністю торкаються підлоги, що важливо для правильного фізіологічного процесу.
-
Сфера застосування: Окрім дитячих садків та шкіл, такі моделі все частіше встановлюють у приватних будинках як другий («дитячий») санвузол, що допомагає дитині швидше привчитися до гігієни без страху впасти.
Збільшені моделі: комфорт без бар’єрів
Ця категорія призначена для людей високого зросту, людей похилого віку або осіб із порушеннями опорно-рухового апарату.
-
Збільшена висота: На відміну від стандарту (40 см), ці моделі мають висоту 45–50 см, а іноді й до 60 см. Вища посадка суттєво знижує навантаження на колінні та тазостегнові суглоби, полегшуючи процес вставання.
-
Посилена конструкція: Такі унітази часто розраховані на підвищене навантаження — до 500–600 кг.
-
Збільшена чаша: Довжина може сягати 700 мм і більше. Це забезпечує більшу площу опори та комфорт для людей із великою вагою.
Порівняльна таблиця розмірів
| Параметр | Дитячий | Стандартний | Збільшений (Highline) |
| Висота чаші | 30–35 см | 40–42 см | 45–60 см |
| Довжина (глибина) | 43–55 см | 60–68 см | 70–80 см |
| Ширина | 29–32 см | 34–38 см | 38–45 см |
Важливі поради при виборі
-
Якщо немає місця для дитячого унітазу: Замість окремого приладу можна придбати спеціальну дитячу кришку-накладку зі сходинкою. Це зекономить місце та кошти.
-
Для літніх людей: Якщо ви робите ремонт і не хочете міняти унітаз на «високий», існують спеціальні ортопедичні насадки на сидіння, які збільшують висоту вже встановленого приладу на 10–15 см.
-
Перевірка випуску: При виборі нестандартних моделей (особливо збільшених) обов’язково звертайте увагу на тип випуску (у стіну чи підлогу), оскільки зміщення точки підключення на кілька сантиметрів може ускладнити монтаж.
Вибір сидіння (кришки) унітазу
Вибір сидіння (кришки) часто вважають другорядним завданням, проте саме від нього залежить 90% комфорту при щоденному використанні сантехніки. Ось детальні поради, як не помилитися з вибором:
Ніколи не купуйте кришку «на око». Щоб вона ідеально лягла на чашу, вам потрібно виміряти три параметри:
-
Відстань між монтажними отворами: заміряйте центри дірок на самому унітазі (стандарт зазвичай 150 мм, але буває від 130 до 200 мм).
-
Ширина: вимірюється в найширшій частині чаші унітазу.
-
Довжина (глибина): відстань від лінії монтажних отворів до крайньої передньої точки обідка.
Матеріал: Пластик чи Дюропласт?
Від матеріалу залежить довговічність та гігієна:
-
Поліпропілен (звичайний пластик): Дешевий, легкий, але швидко дряпається, жовтіє з часом і може тріснути під великою вагою.
-
Дюропласт: Високоякісний матеріал, що візуально нагадує кераміку. Він стійкий до подряпин, не вбирає запахи, міцний і часто містить антибактеріальні добавки (іони срібла). Це найкращий вибір для дому.
Механізм «Мікроліфт» (Soft Close)
Це система плавного опускання, яка працює за принципом дверного доводчика.
-
Чому це важливо: Кришка не гупає по унітазу (що особливо актуально вночі), а головне — механізм захищає емаль унітазу від мікротріщин, які з’являються при різких ударах сидіння.
-
Застереження: Кришку з мікроліфтом не можна закривати силою (рукою) — це миттєво ламає механізм.
Функція швидкого зняття (Quick Release)
Зверніть увагу на моделі з однією або двома кнопками біля кріплень. Вони дозволяють зняти все сидіння одним рухом. Це критично важливо для гігієни: ви зможете легко помити важкодоступні місця під кріпленнями, де зазвичай накопичуються бактерії та наліт.
Форма та стиль
Кришка має точно повторювати форму чаші:
-
Овальні — класика.
-
Прямокутні або квадратні — для сучасних дизайнерських моделей (важливо, щоб кути сидіння не виступали за краї кераміки).
-
Тонкі (Slim) — дуже популярні зараз кришки товщиною всього кілька міліметрів, які виглядають витончено і мінімалістично.
Матеріал кріплень
Завжди віддавайте перевагу металевим (сталевим) кріпленням. Пластикові болти з часом розхитуються, сидіння починає «їздити» вліво-вправо, а самі болти можуть просто луснути від навантаження. Металеві кріплення надійно фіксують кришку на роки.
